长野福田(天津)仪器仪表有限公司
中文
|
English
- 点击相关链接 -
NAGANO KEIKI
FUKUDA
博益气动
品川
爱知时计
首 页
关于我们
产品中心
领先科技
解决方案
联系我们
Home
>
产品中心
>
压力传感器
>
通用型压力传感器
>
文章正文
Prev
1
2
3
Next
产品中心
检漏仪
标定校正器具
流量计
压力表
压力开关
压力传感器
调压阀●比例阀
温度计
流体测控专用设备
气缸●气爪
产品搜索
检漏仪
标定校正仪器
流量计
压力表
压力开关
压力传感器
温度计
调压阀
流体测控专用设备
KB15系列
返回
型号特征
名称:
通用型压力传感器
型号:
KB15系列
概述:
该产品采用蒸发式半导体应变片,耐久性和稳定性强,广泛应用于各种工业领域。可根据客户要求特制输出和接口。
特征:
压力范围广,对应大多数场合
多种输出方式可选
温度特性好
全不锈钢结构耐腐蚀能力强
点击资料下载
规格
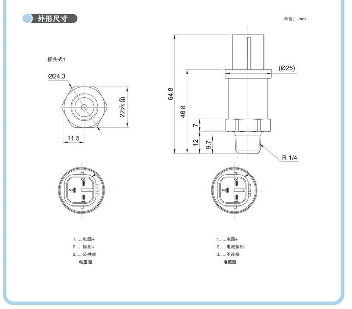
外型尺寸
产品选型
长野福田(天津)仪器仪表有限公司©http://www.fukuda-tj.com.cn/(tianjin), All Rights Reserved. 安全联盟
法律声明
招贤纳士
联系我们
网站地图