长野福田(天津)仪器仪表有限公司
中文
|
English
- 点击相关链接 -
NAGANO KEIKI
FUKUDA
博益气动
品川
爱知时计
首 页
关于我们
产品中心
领先科技
解决方案
联系我们
Home
>
产品中心
>
压力传感器
>
通用型压力传感器
>
文章正文
Prev
1
2
3
Next
产品中心
检漏仪
标定校正器具
流量计
压力表
压力开关
压力传感器
调压阀●比例阀
温度计
流体测控专用设备
气缸●气爪
产品搜索
检漏仪
标定校正仪器
流量计
压力表
压力开关
压力传感器
温度计
调压阀
流体测控专用设备
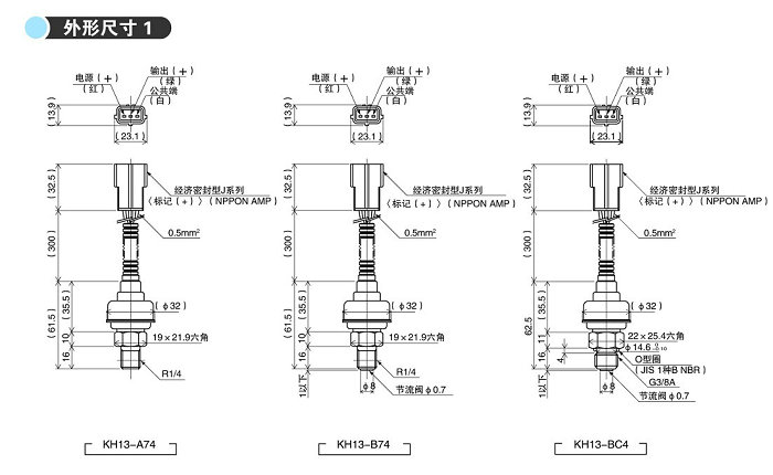
KH13系列
返回
型号特征
名称:
通用型压力传感器
型号:
KH13系列
概述:
本产品采用真空蒸发式半导体应变片,适合测量油或水的压力,广泛用于建筑机械和汽车等行业。
特征:
可靠性和稳定性高;
耐振和耐冲击性好;
体积小,重量轻;
批量购买,性价比高。
点击资料下载
规格
外型尺寸
产品选型
长野福田(天津)仪器仪表有限公司©http://www.fukuda-tj.com.cn/(tianjin), All Rights Reserved. 安全联盟
法律声明
招贤纳士
联系我们
网站地图